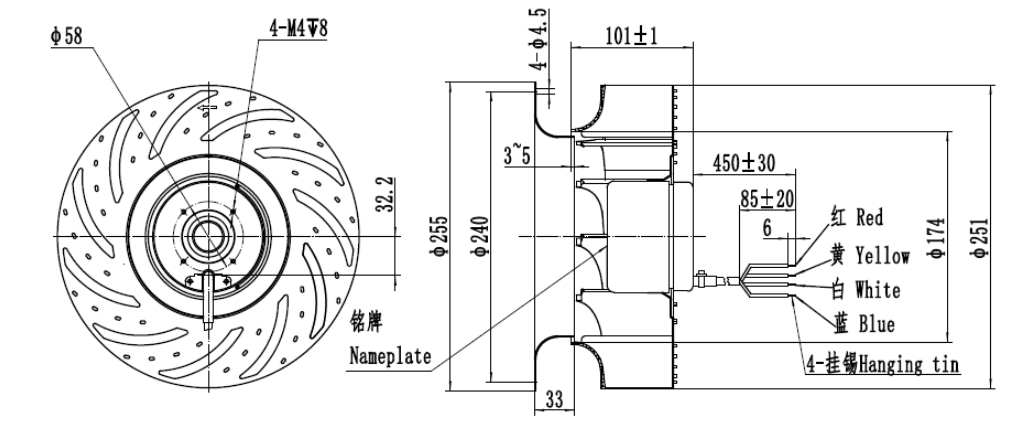
Model & Category
| Product model | SC250D3-DF0-02 |
| Product category | Backward centrifugal fans |
Basic parameters
| Voltage type | 直流 |
| Voltage (V) | 48 |
| Frequency(Hz) | - |
| Capacitance(μF) | - |
| Current(A) | 3.0 |
| Power(W) | 144 |
| RPM(RPM) | 2700 |
| Diameter Φ(mm) | 250 |
| Airflow(m3/h) | 1500 |
| Noise(dB) | 78 |
