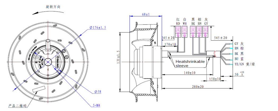
Model & Category
| Product model | SC175A1-052-000 |
| Product category | Backward centrifugal fans |
Basic parameters
| Voltage type | Single phase AC |
| Voltage (V) | 230 |
| Frequency(Hz) | 50 |
| Capacitance(μF) | 3.5 |
| Current(A) | 0.125 |
| Power(W) | 29 |
| RPM(RPM) | 2390 |
| Diameter Φ(mm) | 175 |
| Airflow(m3/h) | 480 |
| Noise(dB) | 58 |
